|
GPAK-JT*, (GPAK-J, GPAK-JT -Discontinued) |
 |
| Part Number |
Description |
| 950-1020 |
Motor Kit |
| 950-1010 |
GPAK-J Wheel Kit |
| 950-1030 |
Fan Prover with Sensing
Tube Kit |
| 950-1040 |
GPAK-J 24/115 VAC Relay
Kit |
| 950-0014 |
GPAK-JT, JT* Timer/Relay
45 second
Non-adjustable, used since 9741 |
| 950-1067 |
GPAK-JT, JT* Timer 1-10
minute adjustable |
| VH1-4 |
4" Vent Hood |
|
GPAK-1T*, GPAK-1TR*, (GPAK-1,
GPAK-1T - Discontinued) |
 |
| Part Number |
Description |
| 950-1020 |
Motor Kit |
| 950-1011 |
GPAK-1 Wheel Kit |
| 950-1030 |
Fan Prover with Sensing
Tube |
| 950-1040 |
GPAK-J 24/115 VAC Relay
Kit |
| 950-0014 |
GPAK-JT, JT* Timer/Relay
45 second
Non-adjustable, used since 9741 |
| 950-1067 |
GPAK-JT, JT* Timer 1-10
minute adjustable |
| VH1-4 |
4" Vent Hood |
|
|
GPAKJ / GPAK1 |
|
| Part Number |
Description |
| 950-1020 |
Motor Kit |
| 950-1010 |
GPAKJ Wheel Kit |
| 950-1011 |
GPAK1 Wheel Kit |
| 950-1030 |
Fan Prover with Sensing
Tube Kit |
| 950-8804 |
UC1 Circuit Board For GPAKJ/GPAK1 Models |
|
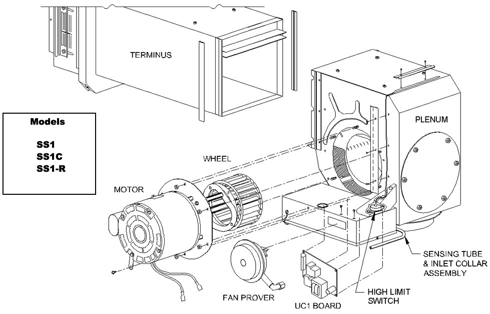
SS1 |
Includes UC1
(Date Codes Starting 07/02)
SSI Components

Prior to UC1
(Date Codes Starting
9517 through 06/02)

|
| Part Number |
Description |
| 950-0670 |
SS1 Plenum Section (Includes UC1) |
| 950-8804 |
UC1 Control Circuit Board (Since
7/02) |
| 950-1067 |
Timer/Relay 1-10 Min. Adjust (Pre
UC1) |
| 950-0650 |
SS1 Fan Prover Kit |
| 950-0640 |
High Limit Switch |
| 950-0680 |
Terminus Kit |
| 950-0625 |
*Motor with Wheel 5/8" |
| 950-0635 |
Wheel 5/8" Bore |
| 950-0001 |
Sensing Tube w/Inlet Collar |
| 950-0620 |
SS1 Mounting Kit |
| 950-0011 |
Terminus Cone w/Brackets |
| 950-0685 |
Terminus Drip Deflector Kit |
| 950-0675 |
Terminus Rain Shield Kit |
*Replacement motors on SS1 with Date codes prior to 26/92 must order
entire plenum section.
|
SS1C |
Includes UC1
(Date Codes Starting 07/02)

Prior to UC1
(Date Codes Starting
9517 through 06/02)

|
| Part Number |
Description |
| 950-0770 |
SS1C Plenum (Includes UC1) |
| 950-8804 |
UC1 Control Circuit Board (Since
7/02) |
| 950-1067 |
Timer/Relay 1-10 min. Adjust (Pre
UC1) |
| 950-0750 |
SS1C Fan Prover Kit |
| 950-0745 |
SS1C Fan Prover Orifice Kit (2) |
| 950-0740 |
SS1C High Limit |
| 950-0780 |
SS1C Terminus Kit |
| 950-0625 |
* Motor with Wheel 5/8" |
| 950-0635 |
Wheel 5/8" Bore |
| 950-0001 |
Sensing Tube w/Inlet Collar |
| 950-0620 |
SS1 Mounting Kit |
| 950-0011 |
Terminus Cone w/Brackets |
| 950-0685 |
Terminus Drip Deflector Kit |
| 950-0675 |
Terminus Rain Shield Kit |
*Replacement motors on SS1 with Date codes prior to 26/92 must order
entire plenum section.
|
SS1-R |
Includes UC1
(Date Codes Starting 07/02)

Prior to UC1
(Date Codes Starting
9517 through 06/02)

|
| Part Number |
Description |
| 950-8804 |
UC1 Control Circuit Board (Since
2/04) |
| 950-1067 |
Timer/Relay 1-10 Minute
Adjustable (Pre UC1) |
| 950-0750 |
Fan Prover kit |
| 950-0640 |
High Limit |
| 950-0680 |
Terminus Kit |
| 950-0625 |
Motor w/Wheel 5/8" |
| 950-0635 |
Wheel 5/8" Bore |
| 950-0690 |
Oil Solenoid |
| 950-0695 |
120V R1 Relay |
| 950-0001 |
Sensing Tube With Inlet collar |
| 950-0620 |
SS1 Mounting Kit |
| 950-0011 |
Terminus Cone With Brackets |
| 950-0685 |
Terminus Drip Deflector Kit |
| 950-0675 |
Terminus Rain Shield Kit |
|
SS2, (SS2G -
Discontinued) |
SS2 Components
 |
| Part Number |
Description |
| 950-0032 |
SS2 Venter Assembly (Includes
UC1) |
| 950-8804 |
UC1 Control Circuit Board (Since
7/02) |
| 950-1067 |
Timer/Relay 1-10 Minute Adjustable (Pre UC1) |
| 950-0029 |
* Prover (Since 7/02 Internal J Box Mount) |
| 950-0016 |
* Prover (Old Style External J Box Mount) |
| 950-0018 |
High Limit Kit |
| 950-0015 |
Motor Kit |
| 950-0017 |
Impeller (Stainless) |
| 950-0019 |
Venter Housing (Stainless) |
| 950-0020 |
Cooling Fan |
| 950-0099 |
Terminus Cabinet |
| 950-0030 |
SS2 Inlet Pipe |
| 950-0031 |
Sensing Tube W/Inlet Assembly & Gasket |
| 950-0033 |
SS2 Mounting Kit |
* Fan Provers are not Interchangeable Internal J Box Switch Used Since
7/02
|
VP-2F |
VP-2F Components
 |
| Part Number |
Description |
| 950-2020 |
Motor Kit |
| 950-2000 |
Housing/Wheel Kit |
| 950-0014 |
Timer/Relay 45 Second
Non-adjustable |
| 950-1067 |
Timer/Relay 1-10 Minute
Adjustable |
| 950-2030 |
115/24V 20VA Transformer |
| 950-2064 |
185 Deg. F. Linear Limit Switch |
| 950-0470 |
Thermocouple Junction Adapter |
| 950-2080 |
Gas Pressure Switch |
| 950-1070 |
Vibration Isolator Kit |
|
VP-3F |
|
| Part Number |
Description |
| 950-1020 |
Motor Kit |
| 950-0014 |
Timer/Relay 45 Second
Non-adjustable |
| 950-1067 |
Timer/Relay 1-10 Minute
Adjustable |
| 950-2030 |
115/24V 20VA Transformer |
| 950-2064 |
185 Deg. F. Linear Limit Switch |
| 950-0470 |
Thermocouple Junction Adapter |
| 950-2080 |
Gas Pressure Switch |
| 950-1070 |
Vibration Isolator Kit |
|
VP-2
(Discontinued) |
 |
| Part Number |
Description |
| 950-2000 |
Housing/Wheel Kit |
| 950-2020 |
Motor Kit |
| 950-0014 |
Timer/Relay 45 Second
Non-adjustable Since 9741 |
| 950-1067 |
Timer/Relay 1-10 Minute
Adjustable |
| 950-2030 |
115/24V 20VA Transformer |
| 950-2040 |
Solenoid Valve |
| 950-2060 |
Control Cable |
| 950-2064 |
185 Deg. F. Linear Limit Switch
(New Style) |
| 950-2070 |
(2) 200 Deg. F. Spill Switches
(Old Style) |
| 950-2050 |
Spill Switch Cable (Old Style) |
| 950-2080 |
Gas Pressure Switch |
| 950-2061 |
Pilot Saver Kit |
| 950-1070 |
Vibration Isolator Kit |
| 950-2010 |
VP-2 Venter Only |
|
VP-3
(Discontinued) |
 |
| Part Number |
Description |
| 950-1020 |
Motor Kit |
| 950-1010 |
Wheel Kit |
| 950-0014 |
Timer/Relay 45 Second Non-adjustable Since 9741 |
| 950-1067 |
Timer/Relay 1-10 Minute Adjustable |
| 950-2030 |
115/24V 20VA Transformer |
| 950-2040 |
Solenoid Valve |
| 950-2060 |
Control Cable |
| 950-2064 |
185 Deg. F. Linear Limit Switch (New Style) |
| 950-2070 |
(2) 200 Deg. F. Spill Switches (Old Style) |
| 950-2050 |
Spill Switch Cable (Old Style) |
| 950-2080 |
Gas Pressure Switch |
| 950-2061 |
Pilot Saver Kit |
| 950-1070 |
Vibration Isolator Kit |
| 950-2015 |
VP-3 Venter Only |
|
|
|
|